産品詳情
ALDT941W-1/2.5/6C(ZDLW-6B、ZDRW-6K)型(xing)電子式電動調節(jie)蝶閥,是3610R(L)全電子式(shì)電動執行機構和(he)蝶閥調節機構組(zu)成,執行機構内有(yǒu)伺服系弘,無須♍另(lìng)配伺服放大器。具(ju)有結構簡單,流通(tong)能力大,調節精度(du)高等特點。執行機(ji)構可根據用戶要(yao)求配置型号電子(zi)式電執行機構廣(guang)泛應用于化工、石(shí)油、冶金、電站等工(gong)業生産過程中。适(shi)用介質,煤氣、含塵(chen)氣體、煙道氣等。
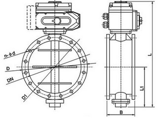
對(dui)夾式電動調節蝶(die)閥主要外形及連(lián)接尺寸 D971(H、Y)-1.0、2.5(0.1、0.25MPa)

公稱(chēng)通徑 | 外形尺(chǐ)寸 | 連接尺寸(cùn) | |||||||||||||
PN1.0 | |||||||||||||||
L1 | L2 | H1 | L | D | D1 | b | n-φd | D | D1 | b | n-φd | ||||
250 | 159 | 584 | 140 | 335 | 16 | 12-16 | GTD145 | ||||||||
348/627 | 635/630 | 645 | 170 | 440 | 12-16 | 440 | 395 | 24 | 12-16 | ||||||
660/655 | 645 | 170 | 490 | 490 | 24 | 12-16 | |||||||||
400 | 432/627 | 206/200 | 750/696 | 540 | 495 | 16 | 24 | 16-22 | |||||||
450 | 524/627 | 228/200 | 190 | 16 | 16-22 | 595 | 24 | 16-22 | |||||||
524/850 | 228/270 | 745 | 190 | 600 | 20 | 20-22 | 229 | 645 | 20-22 | GTD210/AW17 | |||||
228/270 | 905/875 | 210 | 705 | 20 | 755 | 26 | 20-26 | ||||||||
648/1158 | 1000/1084 | 210 | 860 | 810 | 24-26 | 292 | 860 | 26 | 24-26 | GTD255/AW20 | |||||
800 | 648/1158 | 275/350 | 1020 | 210 | 975 | 920 | 24-30 | 975 | 920 | 24-30 | |||||
648/1158 | 275/350 | 1110/1084 | 24-30 | 1020 | 24-30 | ||||||||||
1120 | 410 | 1120 | 26 | 28-30 | GTD300/AW25 | ||||||||||
1200 | 324/375 | 1330/1256 | 1375 | 1320 | 20 | 32-30 | 1375 | 32-30 | GTD300/AW25 | ||||||
1400 | 795/1448 | 380/460 | 300 | 1675 | 1520 | 20 | 36-30 | 530 | 36-30 | GTD350/AW28 | |||||
1600 | 795/1448 | 380/460 | 1605/1540 | 1250 | 300 | 1730 | 24 | 1730 | 34 | ||||||
1880 | 545 | 1640 | 1520 | 300 | 1930 | 44-30 | 670 | 1990 | 44-30 | ||||||
1880 | 545 | 1740 | 1520 | 300 | 2190 | 2130 | 24 | 760 | 2130 | 48-30 | |||||


